阅读本文前,请您先点击上面的蓝色字体“正珍数控论坛”,“关注”后–点击右上角“…”–点选“设为星标”,这样您就可以收到最优质的文章了。完全是免费订阅,请放心关注。

小李:小王,你知道什么是位置度吗?

小王:简单的来说,位置度就是多种形位公差形状和位置公差中的一种。我们先看下下面的图纸想必对于机械行业的我们,一定不会陌生“位置度”这一词;下面小编来带领大家重新了解一下“位置度”;

01

“位置度”的定义

位置度 是一个形体的轴线或中心平面允许自身位置变动的范围﹐即一个形体的轴线或中心平面的实际位置相许变动范围,是限制被测要素的实际位置对理想位置变动量的指标。

位置度公差在评定实际要素位置的正确度,是依据图样上给定的理想位置。

02

“位置度”的种类

位置度分为下面三种:

1、点的位置度:公差带是直径为公差值t的球内的区域,球公差带的中心点的位置由理论正确尺寸确定。

2、线的位置度:公差带是直径为公差值t的圆柱面内的区域,公差带的轴线的位置由理论正确尺寸确定。

3、面的位置度;

03

“位置度”三要素

位置度的三要素分别为:

1、基准 ;

2、理论位置值 ;

3、位置度公差 ;

04

“位置度”的标注

标注的基本原则:

1、位置度公差是各个实际要素相互之间或它们相对于一个或多个基准的位置所允许的变动全量。

2、在位置度公差的注法中位置度符号,用理论正确尺寸和位置度公差限定各实际要素相互之间和(或)它们相对一个或多个基准的位置。

3、位置度公差带相对于理想位置为对称公布。

4、位置度公差可以用于单个的被测要素位置度符号,也可以用于成组的被测要素,当用于成组被测要素时,位置度公差带应同时限定成组要素中的每个被测要素。

正确的标注方法:

1、在位置度公差注法中,理论正确尺寸是确定被测要素理想位置的尺寸,该尺寸不直接附带公差。

2、几何图框是确定一组被测要素之间的理想位置和(或)它们与基准之间正确几何关系的图形。

3、标注时,应根据零件的功能要求,选用下列的理论正确尺寸注法。确定成组要素中各要素之间的理想位置关系:

a.采用直角坐标注法(图1和图2)

b. 采用极坐标注法(图3和图4)

若成组要素中的各要素在圆周上均匀分布时,各要素间的理论正确角度允许省略不注,在公差框格上方加注“均布”两字(图4)。此时,各要素间的角向位置关系为圆周理想等分的角度关系。

c. 采用混合法(图5)。

d. 采用表格注法(图6)。

图1至图6中各理论正确尺寸仅确定成组要素组内各要素(孔的轴线)相互间的理想位置关系,在图中分别用相应的几何图框表示。

位置度带直径符号_位置度符号_位置度符号含义

确定各要素之间及相对基准的理想位置关系:

a. 采用直角坐标法(图7至图9)图7中基准线A作为确定各条被测线理想位置的尺寸起始线。

图8中基准平面A、B构成的互相垂直的基准体系作为确定各孔理想位置的坐标尺寸起始面。

有对中心基准要求的要素,其理论正确尺寸应从基准中心平面注起(图9)。

图9中基准中心平面A确定了孔组的定位和定向要求。

b. 采用极坐标注法(图10)。

图10中基准轴线A确定四孔孔组几何图框的中心位置;

基准中心平面B确定孔组几何图框的角向理想位置。

注:由于理论正确尺寸不直接附带差,因此,无论采用何种形式的理论正确尺寸注法(链式或同一基准式),均不会产生公差累积。

位置度符号_位置度符号含义_位置度带直径符号

公差的标注方法:

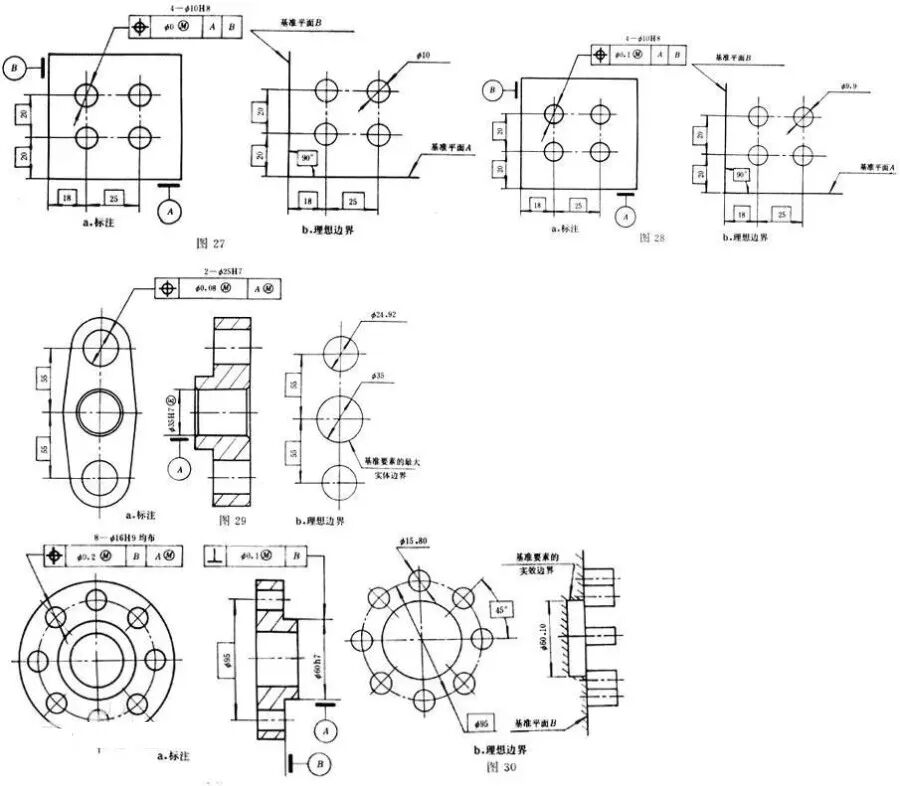
1、采用关联包容原则的位置度公差注法当位置度公差采用关联包容原则时,应在公差格内采用“0 ”形式标注(图27a)。

在图27中,四个孔的实际轮廓必须分别遵守直径为10mm(孔的最大实体尺寸)的四个关联最大实体边界,各最大实体边界的轴线必须保持图样给定的几何图框关系(图27b)。

2、采用最大实体原则的位置度公差注法当位置度公差采用最大实体原则时,应在公差框格中标注符号“ ”(图28a)。

在图28中,四个孔的实际轮廓必须分别遵守直径为9.9mmA(孔的实效尺寸)的四个关联实效边界,各实效边界的轴线必须保持图样给定的几何图框关系(图28b)。

3、基准要素采用最大实体原则的位置度公差注法在位置公差采用相关原则时,其基准要素也可以根据需要采用最大实体原则,其标注方法为在相应的基准字母之后加注符号“ ”(图29a和图30a)。此时基准要素的理想边界由基准要素自身所采用的公差原则来确定。

在图29中,基准孔A本身要求遵守单一包容原则,因此其实际轮廓必须遵守直径为35mm(基准孔的最大实体尺寸)的单一最大实体边界,该边界的轴线作为两孔孔组的基准,确定两个被测实效边界的位置(图29b)。

在图30中,基准台阶本身要求遵守关联最大实体原则,因此,其实际轮廓必须遵守必须遵守赶紧径为φ60.10mm(台阶的实效尺寸)的关联实效边界,端面B与该边界的轴线构成三基面体系,确定八个被测实效边界的位置(图30b)。

位置度带直径符号_位置度符号_位置度符号含义

注:位置度公差采用相关原则后,其量规的设计方法参见GB 80659《位置量规》。

05

“位置度”误差的种类

位置误差根据其位置,可以分为以下三类:

1、定向误差:平行度、垂直度和倾斜度

定向误差定义:是被测实际要素对一具有确定方向的理想要素的变动量网赚项目,该理想要素的方向由基准确定。

2、定位误差 :位置度、同轴度和对称度

定位误差定义:是被测实际要素对一具有确定位置的理想要素的变动量,该理想要素的位置由基准和理论正确尺寸来确定。

3、跳动:圆跳动、全跳动

圆跳动:是指被测实际表面绕基准轴线作无轴向移动的回转时,在指定方向上指示器测得的最大读数差。

全跳动:是指被测实际表面绕基准轴线无轴向移动的回转,同时指示器作平行或垂直于基准轴线的移动,在整个过程中指示器测得的最大读数差。跳动是某些形位误差的综合反映。

以上内容供大家参考和学习,如有不对的地方请及时留言提出,感谢大家的阅读,谢谢!

☆ END ☆

位置度带直径符号_位置度符号_位置度符号含义

位置度符号_位置度带直径符号_位置度符号含义

90%软件免费

90%资料免费

软件、资料等你取

扫码关注下载你所需

点击“在看”,与世界分享你的态度!

位置度带直径符号_位置度符号含义_位置度符号

发表回复

您的电子邮箱地址不会被公开。 必填项已用*标注