51学习网
  • 首页
  • 网赚项目
  • 吸粉引流
  • AI课程
  • 电商运营
  • 脚本源码
  • 综合教程
  • 免费专区
  • 升级VIP
  • 站长加盟
登录

基准

度符号°c 看懂数控图纸上面的符号,So,easy!!!
生活百科

度符号°c 看懂数控图纸上面的符号,So,easy!!!

模具图面常见符号的含义:机械制图中常见的符号及意义:平整度-是条件,表面有所有的元素在一个平...
3年前 2.0K
位置度符号 你真的,理解图纸上标注的位置度吗?
生活百科

位置度符号 你真的,理解图纸上标注的位置度吗?

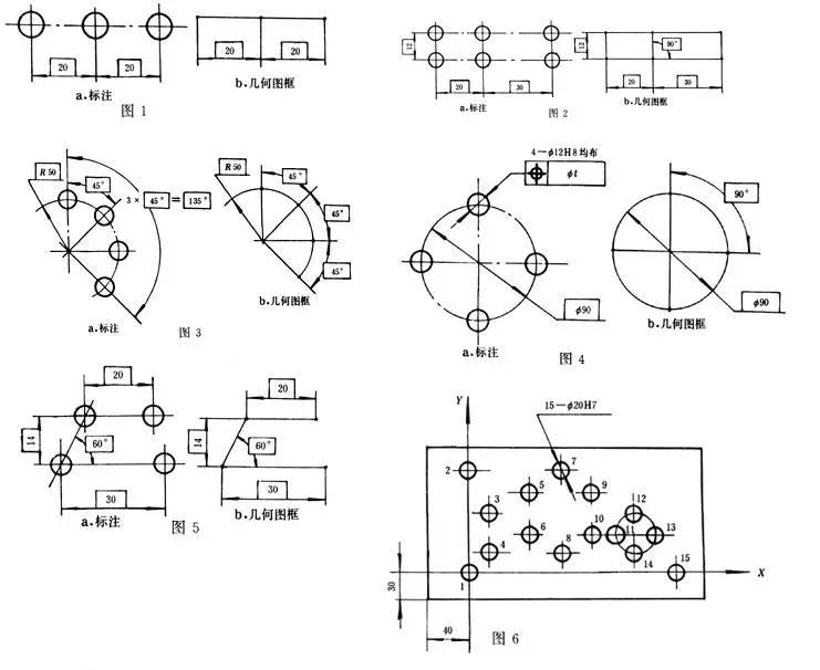
我们先看下下面的图纸想必对于机械行业的我们,一定不会陌生“位置度”这一词;下面小编来带领大家...
3年前 792
51学习网

51学习网同步各大论坛VIP资源,创业教程、自媒体、抖音快手短视频等视频教程以及营销软件、源码、淘宝虚拟资源等,长期更新各大付费创业项目

内部推荐
网站首页加入VIP站长加盟
外部推荐
少儿游戏编程在线小工具网百度站长工具谷歌站长工具
站长微信
关注公众号
APP下载

Copyright © 2021 51学习网 - All rights reserved鄂ICP备2023019823号-1

  • 首页
  • 分类
  • 问答
  • 我的
  • 顶部
AI风口 VIP精品资源 免费项目 农村 创业 创新创业 大学 投资 抖音 生活百科 生活百科 电脑 短视频 科技 综合教程 网赚项目 英语 软件