网上有网友问开关电源模块的金属外壳是否应该接地,还有网友问铜纱网套的屏蔽线应该如何使用。更有网友问如何让自己的设备有能力抗干扰

其实中创网,在中学物理课程中,我们就曾学习过:静电平衡状态下,导体内部没有净电荷,意思就是说:如果导体上有电荷,电荷都分布在导体表面上。

图(01) 程守洙《普通物理学》第二册93页

在普通物理中,我们又学习过:静电平衡状态下,空腔导体外面的带电体不会影响空腔内部队电场分布;一个接地的空腔导体,空腔内的带电体对腔外的物体不会产生影响。如图(01)。

这种使导体空腔内的电场不受外界的影响或利用接地的空腔导体将腔内带电体对外界的影响隔绝的现像,称为静电屏蔽。

电蚊拍电路板_电蚊拍电路板实物图解_电蚊拍电路板怎么接线

图(02)

对前一句“静电平衡状态下,空腔导体外面的带电体不会影响空腔内部队电场分布”,可以用图(02)来举例表示。图(02)空间中原没有空腔导体,但有一个匀强电场(电力线彼此平行)。然后我们在此空间中放入内部并没有电荷的一个空腔导体,放入后电场变形,如图(02)。

在图(02)中,我们看到:空腔导体外面的电场不再是个匀强场,电场变了形。

电场变形,是因为外部电场使得空腔导体上电荷重新分布,直到这些电荷不再受到电场力为止,如图中红色和蓝色符号所示。空腔导体上这些电荷的移动,产生了一个新的电场(图中未画出)。这个新产生的电场和原有的匀强电场叠加,一方面使得原有的匀强电场变形,另一方面使得空腔导体内部电场为零。

空腔导体内部电场为零,很容易从空腔导体上电荷受力为零得到证明。

当外部电场不是恒定电场而是交变电场时,空腔导体内部电场为零这个结论不复成立,因为空腔导体壳上电荷的重新分布需要时间,不可能立即达到平衡。但只要频率不是太高,空腔导体上电荷的重新分布所需要的时间就可以忽略,空腔导体内部电场为零这个结论依然近似成立。实际上,如果导体壳不是薄到纳米数量级,频率即使高到数十GHz,空腔导体内部电场仍然是非常小的。

图(02)中下划蓝色线的那一句“一个接地的空腔导体,空腔内的带电体对腔外的物体不会产生影响”,同样是仅在静电场情况下才成立。如果空腔内的带电体在运动,如图(03),带电体在作高速回转运动,则带电体的运动对空腔外有影响,同样是因为空腔导体上的电荷重新分布需要时间。但和下划红线部分一样,只要频率不是太高,内部带电体对空腔导体外没有影响这个结论依然近似成立。但需要注意:此结论仅在空腔导体接地时才成立,若空腔导体未接地,那么空腔导体内部带电体仍然会对外部产生影响,即使是在静电情况下。

电蚊拍电路板实物图解_电蚊拍电路板_电蚊拍电路板怎么接线

图(03)

电子设备受到的干扰可以分成电场干扰、磁场干扰、电磁场干扰和传导干扰。本帖只谈谈电场干扰。

电场干扰是由于干扰源和受干扰电子设备某些电路之间存在分布电容,这些分布电容对初学者来说,因为无形,可能不易分辨。但此分布电容是必定存在的。

图(04)用两块导体板A1和A2表示干扰源S和受干扰设备R之间的分布电容,A1可能是干扰源中一根导线,A2可能是受干扰设备中电路板上一根导线或一个元件,A1和A2未必有图(04)中那么明显的体积。注意干扰源S和受干扰设备R具有公共点。

电蚊拍电路板怎么接线_电蚊拍电路板实物图解_电蚊拍电路板

图(04)

很明显,A1和A2构成一个电容器。如果按照电原理图的画法,可以画成图(05)那样的形式。

电蚊拍电路板怎么接线_电蚊拍电路板实物图解_电蚊拍电路板

图(05)

图(05)那样的形式,就可以看得很清楚。干扰信号经电容器C和电阻R分压,R上分得S信号电压的一部分。C越大,R越大,R上分到的电压就越大,反之则越小。对同样的C和R,频率越高,R上分得的电压越大。这正是高频电场干扰往往较强的原因。

从以上叙述看,受干扰设备输入端阻抗越低,也就是R越小,越不容易受到电场干扰。是不是这样呢?确实是这样的。电子设备输入阻抗越低,越不容易受到电场干扰。但是,低阻抗设备可能更容易受到磁场干扰。这是我们在生产中需要注意的。

电蚊拍电路板怎么接线_电蚊拍电路板_电蚊拍电路板实物图解

图(06)

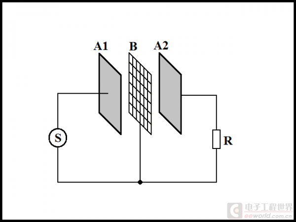
如果我们在A1和A2之间插入一个导体板B,并把B联接到S和R的公共点。那么B和A1、A2构成的电路如图(07)所示。

电蚊拍电路板_电蚊拍电路板实物图解_电蚊拍电路板怎么接线

图(07)

图(07)如果按照通常的画法,就成了图(08)。其中C1是A1与B构成的电容,C2是B与A2构成的电容。

图(08)中,我们看到:干扰源S的信号,被电容C1短路到公共点,受干扰设备R上没有干扰源传来的干扰信号。

电蚊拍电路板实物图解_电蚊拍电路板怎么接线_电蚊拍电路板

图(08)

图(08)只是真实情况的一个近似,实际上B插入后,R上并不是完全没有干扰信号。图(06)中导体板B插入后,A1和A2仍存在分布电容(图中没有画出),但A1和A2之间的分布电容比B没有插入前大为减小,但不为零。

要想A1和A2之间分布电容减小到零,R上完全不会受到干扰,只能用良导体把受干扰的设备R完全包起来形成空腔导体,这是很难做到的。但是,在A1与B、B与A2之间距离相对于板的大小来说比较小的情况下,插入B可以使R上受到的S产生的干扰也就减小到千分之一数量级。这可以看成A1和A2之间分布电容在B插入后减小到千分之一数量级。

这是静电屏蔽的一种应用。

其实,B不一定是实心的导体板。即使B是网状,上面有许多孔,也能够起到很好的静电屏蔽作用。如图(09)。

电蚊拍电路板怎么接线_电蚊拍电路板_电蚊拍电路板实物图解

图(09)

图(10)是个开关电源模块。在其外壳上我们看到有许多孔。有了这些孔电蚊拍电路板,空气就可以流通,帮助这个开关电源模块散热,所以这些孔叫散热孔。虽然有许多孔,而且模块一端并未封闭,这个铝外壳仍然可以起到相当好的静电屏蔽作用。

电蚊拍电路板实物图解_电蚊拍电路板_电蚊拍电路板怎么接线

图(10)

有一种导线,绝缘之外又包了一层铜纱网。这种导线通常叫屏蔽线。屏蔽线当中的导线数有多有少,最少当然是一根,多的有几十根。图(11)就是一种屏蔽线,铜纱网中包裹了三根绝缘导线。屏蔽线的铜纱网就是屏蔽层。

电蚊拍电路板怎么接线_电蚊拍电路板_电蚊拍电路板实物图解

图(11)

在生产活动中,我们经常要用到示波器。示波器的输入端阻抗很高,通常为兆欧甚至十兆欧。其灵敏度也非常高,普通示波器通常可以做到5mV/div甚至2mV/div。所以示波器的输入端是非常容易受到电场干扰的。为此示波器的探头必定使用屏蔽线,如图(12)。

图(12)

普通示波器探头联接线外面的铜纱网,一端与示波器BNC插头的螺母联接,另一端与探头外面包裹的铜套联接,这样就把探头内部的元件全都包在屏蔽之内。这些元件通常是一个电阻和一个小可变电容器。可变电容器也有放在BNC插头附近的,图(12)中的探头就是这样。普通示波器探头所使用的屏蔽线,内部只有一根导线。

图(04)中,干扰源S与受干扰设备R是有公共点的。但是,有些情况我们可能找不到干扰源与受干扰设备的公共点。往往是受到干扰,但干扰源不是很确定,例如示波器,使用之前并不知道干扰源在哪里。另一种情况是知道此设备是强烈干扰源电蚊拍电路板,例如开关电源模块,但不知道哪个设备会受到干扰。这种情况下,静电屏蔽应该接到什么地方?

从图(01)到图(10)所叙述内容,可以知道:

如果你在考虑某设备可能受到的干扰,静电屏蔽应该接这个设备的“地”。例如图(12)所示示波器探头,其静电屏蔽层也就是屏蔽线的铜纱网,应该接示波器输入放大器的“地”。但示波器输入放大器的“地”并不一定是真实的大地,只不过是示波器各电路的公共参考点。同样,音频放大器的信号输入端如果有静电屏蔽,也应该接音频放大器的“地”。

如果你在考虑某设备可能干扰其它电子设备,静电屏蔽应该接真实大地。例如图(10)所示开关电源,那是个相当强烈的干扰源。其金属外壳就应该接真实大地。图中可见端子排右边有个螺钉,是与金属外壳联接的,金属外壳应该通过此螺钉接大地,如果该开关电源模块放置在机架上,至少应该接到机架。

发表回复

您的电子邮箱地址不会被公开。 必填项已用*标注