标题栏尺寸国标_标题栏尺寸标准_180mm标题栏尺寸

来这里学习机械技术前沿!

国家标准《技术制图》基本规定

本节所介绍的国家标准一部分源自最新的《技术制图》国家标准,例如GB/T14689—1993《技术制图字体》,其中“GB”为“国标”(国家标准的简称)二字的汉语拼音字头,“T”为推荐的“推”字的汉语拼音字头,“14689”为标准编号,“1993”为标准颁布的年号。另有部分源自《机械制图》国家标准,例如GB/T4458.4—1984,其中“4458.4”为标准编号,“1984”为该标准颁布的年号。

一、图纸的幅面和格式(GB/T14689—1993)

1、图纸幅面

为了保证图纸大小的统一,以便于图纸的装订、图纸的保管、图纸的缩印,对图纸的幅面做如下规定:

图纸幅面和格式(GB/T14689–1993)

图纸幅面尺寸和代号:A0、A1、A2、A3、A4、A5

180mm标题栏尺寸_标题栏尺寸国标_标题栏尺寸标准

2、图框格式(图框线)

图纸在绘图前都必须用粗实线画出图框线,所画图样(图形)应在图框线之内。

图框线的格式有二种:

⑴不留装订边格式⑵留装订边格式。

180mm标题栏尺寸_标题栏尺寸标准_标题栏尺寸国标

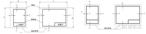
3、标题栏及方位

标题栏中的文字方向为看图方向。标题栏的格式、内容和尺寸在国家标准(GB/T10609.1—1989)中已作了规定,学生制图作业建议采用图所示的标题栏格式。

180mm标题栏尺寸_标题栏尺寸国标_标题栏尺寸标准

4、附加符号

(1)、对中符号:为了复制或摄影时定位方便,在各边的中点处分别画出对中符号。

从图纸边界开始伸入图框约5mm,线宽不小于0.5mm的粗实线。当对中符号在标题栏范围内时,则伸入标题栏部分省略不画。

(2)、方向符号:当绘图和读图方向与标题栏方向垂直时,为了明确绘图和读图的方向,在对中符号处画一个方向符号(细实线的等边三角形)。

二、比例

1、术语

⑴比例:图纸中的图形与实物相应要素的线性尺寸之比。

原值比例:比值为1的比例,即1:1。

放大比例:比值大于1的比例,如2:1。

缩小比例:比值小于1的比例,如1:2。

2、比例系列

⑴首选表1-2中的优先选用比例系列,再选允许选择比例系列。

⑵无论比例如何,所标注的尺寸数值都应是实物的实际大小尺寸。如

为了看图方便,绘制图样时。应尽可能按机件的原值比例画出。如果机件太大或太小,应采用表1-2中规定的优先比例画图。

图样无论是放大或缩小画出,标注尺寸时创业项目,均应按机件的实际大小尺寸标注,与绘图的比例无关。

3、比例的标注

(1)标注在标题栏内。

(2)标注在视图名称的下方或右侧。如I/2:1、B-B/5:1等。

标题栏尺寸标准_标题栏尺寸国标_180mm标题栏尺寸

三、字体(GB/T14691—1993)

图样上除了表达机件的图形外,还要用文字和数字说明机件的大小、技术要求和其它内容。在图样中书写字体必须做到:字体工整、笔划清楚、间隔均匀、排列整齐。

1、汉字:长仿宋体

标题栏尺寸标准_标题栏尺寸国标_180mm标题栏尺寸

2、字母和数字:

字母和数字可写成斜体或直体。斜体字字头向右倾斜,与水平基准线成75度。

ABCDEFGHIJKLMNOPQRSTUVWXY拉丁字母示例

bcdefghijklmnopqrstuvwxy

ⅠⅡⅢⅣⅤⅥⅦⅧⅨⅩ罗马数字示例

0123456789阿拉伯数字示例

ABCDEFGHIJKLMNOPQRSTUVWXY

希腊字母示例:

标题栏尺寸标准_标题栏尺寸国标_180mm标题栏尺寸

(1)A型和B型:

A型字体:笔画宽度=h/14(h为字高)

B型字体:笔画宽度=h/10(h为字高)

(2)直体和斜体(向右倾斜75º)两种。

四、图线(GB/T17450—1998)

图线是画图时所采用的各种型式的线。

1、图线的形式及应用(如表1-4所示)

标题栏尺寸标准_标题栏尺寸国标_180mm标题栏尺寸

180mm标题栏尺寸_标题栏尺寸国标_标题栏尺寸标准

2、图线的尺寸:

图线分为粗、细两种。以粗线宽度作为基础,细线的宽度应为粗线宽度的一半。在表1–4所列出的各种图线中,除粗实线外的其它各种图线宽度都应为粗实线宽度的一半。图线宽度的推荐系列为:0.18,0.25,0.35,0.5,0.7,1,1.4,2 mm,粗线的宽度一般按图样的大小和复杂程度在0.5~2 mm之间选择。

3、图线的画法:

⑴同一张图样中,同类图线的宽度应一致,线段长度和间隔应大致相等。

⑵各种图线相交,都应以线段相交,而不应是点或空隙相交。

⑶虚线与实线相交,应留有空隙。虚线圆弧与实线圆弧相切,应留有空隙。

⑷点画线的“点”,是一小线段,不是点。点画线的起始端为直线段,并应超出轮廓线2~5mm。

⑸绘制圆的中心线时,圆心应为线段相交。点画线的两端应超出圆2~5mm。小圆的中心线可用细实线代替点画线。

⑹当实线与虚线或点画线重叠时,画实线;当虚线与点画线重叠时,画虚线。

180mm标题栏尺寸_标题栏尺寸国标_标题栏尺寸标准

标题栏尺寸标准_180mm标题栏尺寸_标题栏尺寸国标

标题栏尺寸国标_标题栏尺寸标准_180mm标题栏尺寸

(7)图线不得与文字、数字或符号重叠、混淆。不可避免时,应首先保证文字、数字或符号清晰。当某些图线互相重叠时,应按粗实线、虚线、点画线的顺序只画前面的一种。

标题栏尺寸国标_标题栏尺寸标准_180mm标题栏尺寸

标题栏尺寸标准_标题栏尺寸国标_180mm标题栏尺寸

五、尺寸注法

尺寸是零件制造的直接依据,是图样的重要内容。国标专门规定了尺寸的标注准则。

(一)标注尺寸的基本规则

1、图样上的尺寸是零件的实际尺寸,与比例、准确度无关。

2、图样上的尺寸是以毫米(mm)为单位,并不标出。

3、图样上的尺寸是所示机件完工后的尺寸,否则应另加说明。

4、一个尺寸只能标注一次。

(二)尺寸的组成

尺寸由四部分组成:尺寸界线、尺寸线(包括终端箭头等)、尺寸数字。并用细实线画出。

标题栏尺寸国标_180mm标题栏尺寸_标题栏尺寸标准

1、尺寸界线:由图形的轮廓线、轴线、对称中心线引出,并超出尺寸线末端2~3mm。

#尺寸界线一般与尺寸线垂直,必要时才允许倾斜。倾斜时,两条尺寸界线应平行

标题栏尺寸国标_标题栏尺寸标准_180mm标题栏尺寸

2、尺寸线:

(1)尺寸线与所标注的线段平行。

(2)尺寸线不得与其它图线重合或在其它图线的延长线上。

(3)尺寸线终端有箭头和斜线两种形式

180mm标题栏尺寸_标题栏尺寸国标_标题栏尺寸标准

标题栏尺寸标准_180mm标题栏尺寸_标题栏尺寸国标

3、尺寸数字:

(1)标准字体书写、字高一致。

(2)一般书写在尺寸线的上方或尺寸线中断处。

(3)线性尺寸数字的方向,

(4)尺寸数字不能通过任何图线,必要时,可将图线断开,让出尺寸数字。

标题栏尺寸标准_标题栏尺寸国标_180mm标题栏尺寸

(三)尺寸注法

⒈线性尺寸注法

标注线性尺寸时,尺寸线必须与所标注的线段平行。尺寸界线一般与尺寸线垂直,并超出尺寸线2~3 mm。线性尺寸的数字应按图所示的方向注写。也允许将尺寸数字注写在尺寸线的中断处。应尽量避免在与垂直中心线成30°角范围内标注尺寸,无法避免时标题栏尺寸标准,可按图所示的方法标注。

标题栏尺寸标准_标题栏尺寸国标_180mm标题栏尺寸

2、角度尺寸

180mm标题栏尺寸_标题栏尺寸国标_标题栏尺寸标准

⑴尺寸界线沿径向引出,尺寸线应画成圆弧,其圆心是该角的顶点。

⑵角度数字一律水平写。通常写在尺寸线的中断处,必要时允许写在尺寸线的外面,或引出标注。

3、直径尺寸

⑴标注直径尺寸时,应在尺寸数字前加注符号“f”。

注:直径尺寸可以标注在非圆视图上。

⑵标注球面直径时,应在符号“f”前加注符号“S”。

圆心角大于180°时,要标注圆的直径,且尺寸数字前加“φ”;圆心角小于等于180°时,要标注圆的半径,且尺寸数字前加“R”;标注球面直径或半径尺寸时,应在符号φ或R前再加符号“S”。

(3)当圆弧的直径过大或在图纸范围内无法按常规标出其圆心位置时,可按下图(a)的形式标注;若不需要标出其圆心位置时,可按下图(b)的形式标注。

标题栏尺寸标准_180mm标题栏尺寸_标题栏尺寸国标

180mm标题栏尺寸_标题栏尺寸国标_标题栏尺寸标准

4、半径尺寸

⑴标注半径尺寸时,应在尺寸数字前加注符号“R”。

⑵应标注在是圆弧的视图上。

⑶标注球面半径时,应在符号“R”前加注符号“S”。

标题栏尺寸国标_180mm标题栏尺寸_标题栏尺寸标准

5、弧长及弦长的标注

圆弧和弦长尺寸注法:标注弦长尺寸时,尺寸界线应平行于弦的垂直平分线;标注弧长尺寸时,尺寸线用圆弧,尺寸数字上方应加注符号“⌒”.

标题栏尺寸国标_180mm标题栏尺寸_标题栏尺寸标准

6、狭小部位尺寸的标注

180mm标题栏尺寸_标题栏尺寸标准_标题栏尺寸国标

7、均匀分布的孔的标注

⑴沿直线均匀分布

180mm标题栏尺寸_标题栏尺寸国标_标题栏尺寸标准

⑵沿圆周均匀分布

标题栏尺寸标准_标题栏尺寸国标_180mm标题栏尺寸

8、光滑过渡处的尺寸注法:在光滑过渡处,必须用细实线将轮廓线延长,并从它们的交点引出尺寸界线。尺寸界线如垂直于尺寸线,则图线很不清晰,所以允许倾斜,如图所示。

标题栏尺寸标准_180mm标题栏尺寸_标题栏尺寸国标

?9、均匀厚度板状零件的标注

不必另画视图表示厚度

标题栏尺寸标准_180mm标题栏尺寸_标题栏尺寸国标

10、断面为正方形结构的标注

标题栏尺寸国标_180mm标题栏尺寸_标题栏尺寸标准

11、斜度和锥度的注法:

斜度和锥度可按下图所示的方法标注。斜度和锥度符号的方向应与斜度和锥度的方向一致。

180mm标题栏尺寸_标题栏尺寸国标_标题栏尺寸标准

12、尺寸正误分析

标题栏尺寸标准_标题栏尺寸国标_180mm标题栏尺寸

§1.3常用几何图形的画法

在机械图样中标题栏尺寸标准,零件的轮廓形状虽然是多种多样的,但基本上都是由直线、圆弧和其他一些曲线所组成的几何图形。几何作图,就是按给定的条件,准确地绘出预定的几何图形。熟练掌握几何图形的正确画法,有利于提高作图的准确性和绘图速度。本节介绍直线段的等分、圆周的等分(正多边形)、斜度、锥度、平面曲线和线段连接等几何图形的作图方法。

1.斜度

180mm标题栏尺寸_标题栏尺寸标准_标题栏尺寸国标

标题栏尺寸国标_标题栏尺寸标准_180mm标题栏尺寸

2.锥度

标题栏尺寸国标_标题栏尺寸标准_180mm标题栏尺寸

标题栏尺寸标准_标题栏尺寸国标_180mm标题栏尺寸

3、等分线段

常用方法:试分法。

已知线段AB,作它的三等分。作图方法如下:过已知线段的一端点A任作一直线AC,用分规以任意长度自A点在AC上截取三等分,得1、2、3点,连接3B,并过1、2点作3B的平行线交AB于11、22,即获得线段AB上的三等分点,如图所示。以上作图方法适用于等分任意已知线段。

标题栏尺寸国标_180mm标题栏尺寸_标题栏尺寸标准

4、圆周的等分和作正多边形

(1) 六等分圆周及画正六边形

已知对角线长为D作圆的内接正六边形。

作图方法如下:画两条垂直相交的对称中心线,以其交点为圆心,D/2为半径作圆。有圆规作图和三角板作图两种。

其一是在圆上以D/2为半径画弧六等分圆周,依次连接圆上六个等分点1、2、3、4、5、6,即得一正六边形,如图所示。

其二是用60°三角板配合丁字尺作平行线,画出四条边,再以丁字尺作上、下水平边,即得圆内接正六边形,如图所示。

已知对边距离为S(即内切圆直径),作圆的外切正六边形。

作图方法如下:画出垂直相交的对称中心线及内切圆(直径为S)后,再用丁字尺与60°三角板配合,即可画出正六边形,如图所示。

标题栏尺寸国标_180mm标题栏尺寸_标题栏尺寸标准

(2)正N边形(以正7边形为例)

⑴、画外接圆

⑵将外接圆直径等分为N等份

⑶以N点为圆心,以外接圆直径为半径作圆与水平中心线交于点A,B。

⑷由A和B分别与奇数(或偶数)分点连线并与外接圆相交,依次连接各交点

标题栏尺寸标准_180mm标题栏尺寸_标题栏尺寸国标

5、椭圆的画法

1.同心法画椭圆2.四心法画椭圆

180mm标题栏尺寸_标题栏尺寸国标_标题栏尺寸标准

6、圆弧连接

A、用半径为R的圆弧连接两已知直线

⑴作两条辅助线分别与两已知直线平行且相距R。交点O即为连接圆弧的圆心。

⑵由点O分别向两已知直线作垂线,垂足即切点。

⑶以点O为圆心,R为半径画连接圆弧。

标题栏尺寸国标_标题栏尺寸标准_180mm标题栏尺寸

B、用半径为R的圆弧连接两已知圆弧(外切)

⑴以O1为圆心,R1+R为半径画圆弧。

⑵以O2为圆心,R2+R为半径画圆弧。

⑶分别连接O1O3、O2O3求得两个切点。

⑷以O3为圆心,R为半径画连接圆弧。

标题栏尺寸标准_180mm标题栏尺寸_标题栏尺寸国标

C、用半径为R的圆弧连接两

已知圆弧(内切)

⑴以O1为圆心,R-R1为半径

画圆弧。

⑵以O2为圆心,R-R2为半径画圆弧。

⑶分别连接O3O1、O3O2并延长求得两个切点。

⑷以O3为圆心,R为半径画连接圆弧。

标题栏尺寸国标_标题栏尺寸标准_180mm标题栏尺寸

D、用半径为R的圆弧连接已知圆弧和直线

⑴以O1为圆心,R1+R为半径作圆弧

⑵作与已知直线平行且相距为R的直线。

⑶连接O1O,求得与已知圆弧的切点。

⑷由O向已知直线作垂线,求得与已知直线的切点。

⑸以O为圆心,R为半径画连接圆弧。

180mm标题栏尺寸_标题栏尺寸国标_标题栏尺寸标准

E、混合连接:

标题栏尺寸国标_标题栏尺寸标准_180mm标题栏尺寸

圆弧连接作图小结:

一、无论哪种形式的连接,连接圆弧的圆心都是利用动点运动轨迹相交的概念确定的。

☆距直线等距离的点的轨迹是直线的平行线。

☆与圆弧等距离的点的轨迹是同心圆弧。

二、连接圆弧的圆心是由作图确定的,故在标注尺寸时只注半径,而不注圆心位置尺寸。

补:圆的切线

⒈过圆外一点作圆的切线

⑴连接OA⑵以OA为直径作圆⑶分别连接AC1、AC2

标题栏尺寸标准_标题栏尺寸国标_180mm标题栏尺寸

⒉作两圆的外公切线

⑴以O2为圆心,R2-R1为半径作辅助圆。

⑵过O1作辅助圆的切线O1C。

⑶连接O2C并延长使其与O2圆交于C2。

⑷过O1作O2C2的平行线。

⑸连接C1C2即为两圆的外公切线。

标题栏尺寸国标_180mm标题栏尺寸_标题栏尺寸标准

⒊作两圆的内公切线

⑴以O1O2为直径作辅助圆。

⑵以O2为圆心,R2+R1为半径作圆弧与辅助圆相交。

⑶连接O2K。

⑷过O1作O2C2的平行线。

⑸连接C1C2即为两圆的内公切线。

180mm标题栏尺寸_标题栏尺寸标准_标题栏尺寸国标

§1-4平面图形的画法

平面几何图形都是由若干直线和曲线连接而成的,这些线段有必须根据给定的尺寸关系画出,所以要想正确而又迅速地画好平面图形,就必须首先对图形中标注的尺寸进行分析。通过分析,可使我们了解平面集合图形中各种线段的形状、大小、位置及性质。

一、平面图形的尺寸分析

标注平面图形的尺寸时,要求正确、完整、清晰、齐全。要达到此要求,就需了解平面图形应标注哪些尺寸。平面图形中的尺寸,按其作用分为定形尺寸和定位尺寸两类。而在标注和分析尺寸时,首先必须确定基准,

平面图形的尺寸按作用分为:

定形尺寸—确定组成平面图形的各个部分形状大小的尺寸,称为定形尺寸。如直线的长度、圆及圆弧的半径、角度大小等。

如:25、40、7、R8、2×Φ8、R49等。

定位尺寸—确定构成平面图形的各简单的几何图形中线段间相互位置的尺寸,称为定位尺寸。

如:24、27、11等。

尺寸基准—标注定位尺寸时的起始点。在平面图形中,应有水平方向(或称X方向)和铅直方向(或称Y方向)的尺寸基准。通常以图形的对称线、主要轮廓线和大直径圆的中心线为尺寸基准。

定形尺寸兼作定位尺寸。

二、平面图形的线段分析

平面图形的绘制步骤、尺寸标注都与线段连接情况相关。因此,根据锁标注的尺寸和组成图形的各线段间的关系,图形中的线段可以分为以下三种:

(1)已知线段:定形尺寸、定位尺寸齐全,可以直接画出的线段。

如:2×Φ8圆、R49弧、25和7确定的槽、下部两个R8

(2)中间线段:有定形尺寸,而定位尺寸则不全,还需根据与相邻线段的一个连接关系才能画出的线段。

如:R9圆弧。

(3)连接线段:只有定形尺寸,而无定位尺寸,需要根据两个连接关系才能画出的线段。

如:图上部R8。

180mm标题栏尺寸_标题栏尺寸国标_标题栏尺寸标准

注意:下部R8圆心不在25尺寸确定的槽左端面与底面直线的交点处,要从40返一个8来确定。

三、画图步骤

(a)分析图形,画出基准线,并根据定位尺寸画出定位线;

(b)画出已知线段,即那些定形尺寸、定位尺寸齐全的线段;

(c)画连接线段,即那些只有定形尺寸,定位尺寸不齐全或无定位尺寸的线段;

注:这些线段必须在已知线段画出之后,依靠他们和相邻线段的关系画出。

(d)擦去不必要的图线,标注尺寸,按线型描深。

标题栏尺寸国标_180mm标题栏尺寸_标题栏尺寸标准

图手柄的画图步骤

标题栏尺寸标准_180mm标题栏尺寸_标题栏尺寸国标

四、仪器绘图的一般步骤

尽管计算机绘图在工程技术界应用已经日益普及,但是仪器绘图仍是工程技术人员应该掌握的重要技能之一。要使绘图工作效率高、质量好,除了熟练掌握国家技术制图标准、掌握正确的几何作图方法和正确地使用绘图工具外,科学合理地绘图步骤也是提高绘图效率的重要因素。通常,使用仪器绘制工程图时,应该遵循如下的步骤:

1、认真做好准备工作

首先准备好图板、丁字尺、三角板、仪器及其它绘图用具,如橡皮、曲线板、擦图片、胶带纸等。并将图板、三角板、丁字尺擦拭干净。为了作图快速,常用的铅笔(如HB、H)可以多准备几支,削好备用;各种绘图工具应该放在适当位置,不用的物品不要放在图板上。

2、仔细分析所画对象

做任何工作都要做到心中有数,绘图工作也是如此。绘制平面图形时,要首先分析图形的连接情况,找到两个方向的尺寸基准,确定哪些图线是已知线段,哪些线段是中间线段或连接线段,以确定图形绘制的顺序。而绘制立体模型或及其零件的视图时,则要分析所画对象的各种特征和连接关系,以确定采用什么样的方案来表达它。

3、合理的选择比例和图幅

根据表达的对象,选用合适且符合国家标准的比例和图纸幅面,如有可能尽量选用1:1的比例和标准图纸。用胶带纸将图纸固定在图板上。

4、绘制图框和标题栏

按照GB/T14689-1993和GB/T10609.1-1989规定的大小用细实线绘制图框和标题栏。对于印制好的图纸,这一步可以省略。

5、图形的布置(布图)

布置图的位置的准则是使图形美观、允称,在图样上不应出现疏密不均、头重较轻的情况。布图时要考虑到为标注尺寸和注写文字说明留有足够的空间。布图时依据图形的长度和宽度,确定其位置,并画出各个图形的作图基准线,如中心线、对称线、或主要平面的投影线等。

6、轻画底稿

绘制底稿时应注意“先主后次”的原则,既先画主要轮廓线,然后再画细节部分,如圆角、孔、槽等。绘制底稿时要使用H或2H的铅笔,轻画细线,以便于修改。对于剖面线可以只画几条,表明方向即可。

7、描深图线

通常,描深直线段要使用HB或B的铅笔,描深圆弧使用B或2B的铅笔。描深时的先后顺序与画底稿时的顺序不同。为了使线段光滑连接,应先描深圆和圆弧,再描深直线段,既所谓的“先曲后直”的描深原则。而描深粗实线的直线段时,又是按照先“水平线段、垂直线段、倾斜线段”的顺序进行。同时还应按照“先上后下、先左后右”的原则进行作图。

描深完所有的粗线后再按照同样的顺序描深所有的虚线、点画线和细实线,这就是所谓的“先粗后细”的原则。

8、标注尺寸

在完成了图线描深工作以后,接着标注尺寸。标注尺寸时,应先画尺寸界线、尺寸线、尺寸箭头,再注写尺寸数字和其它文字说明。

9、检查全图,填写标题栏

最后要仔细的检查全图,在确认没有错误后,填写标题栏中的内容,将多余的纸边裁剪整齐,完成全图。

绘图程序简单可以表达为:

一、准备工作

⑴、进行尺寸分析、线段分析;

⑵、确定比例,选择图幅;

⑶、确定作图顺序。

二、绘制底图(底稿)

⑴、画底图的注意事项:

①、用H或2H铅笔画图;

②、线型不分粗细;

③、要求作图准确;

④、画错的地方,可以等底图画完后一齐擦掉。

⑵、画底图的步骤:

①、画图框和标题栏;

②、合理布图,画基准线;

③、画出已知线段;

④、画出中间线段;

⑤、画出连接线段;

⑥、审核图形,标注尺寸。

三、描深底图(底图)

⑴、描深底图的步骤:

①、先粗后细。按粗实线—虚线—点画线—细实线的顺序。

②、先曲后直。按圆—圆弧—直线的顺序。

③、先水平后垂斜。按水平线(自上而下)—垂直线(自左而右)—斜线的顺序。

④、先箭头,后数字,再标题栏。

⑵、描深底图的注意事项:

①、用HB或B铅笔描深;

②、线条粗细、浓淡均匀;

③、保持图面清洁(双手、三角板、丁字尺应保持清洁)。

机械制图实训

本章是绘制机械图样所必须掌握的基本知识,通过练习达到的制图基本技能是学习和掌握后续各章的基础和前提。

实训目的

(1) 掌握国家标准中有关图幅、比例、字体和图线等制图基本规定,以及尺寸注法的规定。

(2) 正确使用绘图工具和仪器,掌握基本的作图方法。

(3) 对平面图形进行尺寸分析和线段分析。

(4) 为养成认真细致的工作作风奠定基础。

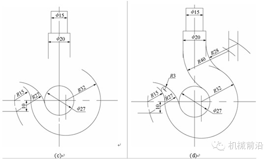
【实训1】抄画如图所示的吊钩平面图形

180mm标题栏尺寸_标题栏尺寸标准_标题栏尺寸国标

标题栏尺寸标准_标题栏尺寸国标_180mm标题栏尺寸

标题栏尺寸国标_180mm标题栏尺寸_标题栏尺寸标准

实训过程

(1) 分析图形,确定基准和线段的性质后画出基准线,确定已知线段的位置,如图1-22(a)所示。

(2) 画出已知线段,如图1-22(b)所示。

(3) 画出中间线段,如图1-22(c)所示。

(4) 画出连接线段,如图1-22(d)所示。

(5) 检查整理图形后加深图线,并标注尺寸,如图1-22(e)所示。

【实训2】画出如图1-23所示的平面图形。

180mm标题栏尺寸_标题栏尺寸标准_标题栏尺寸国标

实训过程

1. 分析图形

(1) 该图为对称图形,长度基准为对称中心线,高度基准为2-φ16的中心线。

(2) 定位尺寸与定形尺寸:70、20、100、46为定位尺寸,其余均为定形尺寸。

(3) 已知线段:φ18、R22、2-φ16、R20、70、30。

(4) 中间线段:(无)。

(5) 连接线段:R10、R20、R15。

实训总结

本章主要学习了机械制图标准以及绘图的基本知识,通过实训重温了《机械制图》和《技术制图》国家标准中有关图幅、标题栏、比例、字体、图线、尺寸注法的规定,并对平面图形的尺寸进行分析,对组成图形的各线段进行分析,为掌握制图基本规定及绘图技能的形成奠定基础。

1. 填空题

(1) 圆弧连接作图时,首先求出连接弧的______和_______才能达到光滑连接的目的。

(2) 虚线以及各种点划线相交时,应恰当地相交于___处,而不应相交于___或___处。点划线超出圆周________mm,尺寸界线超出尺寸线______mm。

(3) 尺寸数字不能被任何_______通过,否则应将________断开。

(4) 标注角度时,角度数字一律写成_____,一般注写在尺寸线______处。

(5) 国标规定技术图样上的汉字应采用的字体为_________。

(6) 图样中,机件的可见轮廓线用________画出,不可见轮廓线用_______画出,尺寸线和尺寸界线用________画出,对称中心线和轴线用________画出。

(7) 平面图形的线段可分为_______、_______、_______三种。它们的作图顺序是先画_______,然后画_______,最后画_______。

(8) 在画图时应尽量采用_______的比例,需要时也可采用放大或缩小的比例,其中1∶2为_______比例,2∶1为_______比例。

2. 判断题

(1) 绘制技术图样时,在图纸上必须用粗实线画出图框线。

(2) 技术图样中只有定形尺寸和一个定位尺寸的线段,称连接线段。

(3) 描深图样应遵循如下顺序:先直后曲、先粗后细、先水平后垂直,以保证连接圆滑,提高绘图效率。

(4) 在平面图形的作图步骤中:应首先画已知线段,再画基准线和定位线。

(5) 在技术文件中字母和数字一般写成斜体字。

3. 简答题

(1) 图纸的基本幅面有几种?各种图纸幅面尺寸之间有什么规律?

(2) 字体的号数说明什么?

(3) 圆的直径、圆弧半径、角度、球、平面标注有什么特点?标注线性尺寸数字有什么规定?

(4) 说明∠1∶10和1∶10的含义。

(5) 为什么要对平面图形的尺寸和线段进行分析?

机械前沿: jixieqianyan

机械前沿|机械技术|机械视频|机械咨讯

发表回复

您的电子邮箱地址不会被公开。 必填项已用*标注