将非电量转换为与之有确定关系的电量输出的装置,称为传感器

传感器的组成:

湿度传感器有几种_湿度传感器有哪几种_湿度传感器种类

敏感元件:直接感受被测非电量并按一定规律转换成与被测量有确定关系的其它量的元件。

传感元件:又称变换器。能将敏感元件感受到的非电量直接转换成电量的器件。

湿度传感器种类_湿度传感器有哪几种_湿度传感器有几种

信号调节与转换电路:能把传感元件输出的电信号转换为便于显示、记录、处理、和控制的有用电信号的电路。

常用的电路有电桥、放大器、变阻器、振荡器等。

辅助电路通常包括电源等。

传感器的分类:

1.按工作机理分类:根据物理和化学等学科的原理、规律和效应进行分类。

2.按被测量分类:根据输入物理量的性质进行分类。

3.按敏感材料分类:根据制造传感器所使用的材料进行分类。可分为半导体传感器、陶瓷传感器等。

4.按能量的关系分类:根据能量观点分类,可将传感器分为有源传感器和无源传感器两大类。有源传感器是将非电能量转换为电能量,称之为能量转换型传感器,也称换能器。通常配合有电压测量电路和放大器。如:压电式、热电式、电磁式等。

5.其他:按用途、学科、功能和输出信号的性质等进行分类。

几种常见传感器:

1.电阻式传感器

电阻式传感器在不同的外界条件下,所用材料的电阻值会发生相应的变化,如受到机械力、光照、热或环境中特殊气体影响时,会出现不同的阻值。利用电阻传感器的这一特点,可能检测出物体所受的压力、产生的形变、温度和湿度的变化的以及所受周围环境中气体的影响。

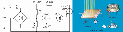
电阻式传感器应用最广泛。下图是一种典型的光控调光电路,其工作原理是:当周围光线变弱时引起光敏电阻RG的阻值增加,使加在电容C上的分压上升,进而使可控硅的导通角增大,达到增大照明灯两端电压的目的。反之,若周围的光线变亮,则RG的阻值下降,导致可控硅的导通角变小,照明灯两端电压也同时下降,使灯光变暗湿度传感器有哪几种,从而实现对灯光照度的控制。

湿度传感器有哪几种_湿度传感器有几种_湿度传感器种类

见下动图:

湿度传感器有哪几种_湿度传感器种类_湿度传感器有几种

照相机能够根据光的强弱自动调整曝光量、所用的感光原件就是一个光敏电阻。

湿度传感器种类_湿度传感器有哪几种_湿度传感器有几种

电阻应变片的工作原理是基于电阻应变效应,即在导体产生机械形变时,它的电阻值相应发生变化。

2.电容式传感器

电容式传感器可以将被检测物理量(一般是非电量)的变化,转化为电容量的变化,而电容量的变化又可以通过测量电路检测出来,从而检测出所要检测的物理量。电容传感器还可以实现非接触式测量。

电容式传感器的应用范围很广,它可以测量位移、压力、加速度、液位、物体的厚度、所承受的载荷、振动、角度、流量、成分含量等的测量。

见下动图:

湿度传感器有哪几种_湿度传感器种类_湿度传感器有几种

在运输和仓储行业使用的颗粒种类中,塑料材质的颗粒是最常见的形式,塑料颗粒的作用是在运输和仓储过程中保护内部物品不受机械损伤。一般常用电容式传感器检测容器内塑料颗粒的料位。

湿度传感器种类_湿度传感器有几种_湿度传感器有哪几种

3.电感式传感器

电感式传感器可将被测非电量的变化湿度传感器有哪几种兼职赚钱,转换为线圈电感系数或互感系数的变化,使整个线圈的电感发生改变,再经转换电路变换成电压或电流信号,从而实现检测的目的。电感式传感器可以实现位移、振动、转速、物体厚度的测量。

汽车制造环节主要包括四个主体部分:冲压、焊装、涂装、总装。而电感式传感器都大量的应用于每个部分。特别是焊装、涂装和总装车间,许多的电感式传感器分布在积放链输送线,起到滑翘检测或分轨到位检测作用。

湿度传感器有哪几种_湿度传感器种类_湿度传感器有几种

4.光电式传感器

光电式传感器的工作原理是利用某些物质具有的光电效应,将光信号转换成电信号实现检测。在测量时,传感器与被测物体之间可以不接触,响应快、抗干扰性强。这种传感器可用来检测物体的转速、高温物体的温度,还可以制成光电耦合器、光电开关等。

湿度传感器有几种_湿度传感器有哪几种_湿度传感器种类

5.数字式传感器

数字式传感器有编码式传感器、光栅传感器、磁栅传感器及感应同步器等,它可将被测非电量以数字方式显示而实现检测。它具有检测精度高、抗干扰性强、易于实现测量数据的计算机处理等优点,在数控机床等机电一体化设备中用来测量转速、位移、方向或用来计数等。

湿度传感器有哪几种_湿度传感器有几种_湿度传感器种类

编码式传感器—增量编码器是一种将旋转位移转换为一连串数字脉冲信号的旋转式传感器。这些脉冲用来控制角位移,如果编码器与齿轮齿条或螺旋丝杠结合在一起,也可以用来测量直线位移。

湿度传感器种类_湿度传感器有哪几种_湿度传感器有几种

图为水位自动控制系统,磁环可以随着水位沿着传感器上下移动,将水位信息转换为电信号后送给控制箱,实现闭环控制。你认为选择什么传感器比较合适。

水位自动控制系统可以采用磁敏传感器(干簧管传感器)。

下附各类传感器动图:

1.膜盒式压力传感器

湿度传感器有几种_湿度传感器有哪几种_湿度传感器种类

2.压力式温度计

湿度传感器有几种_湿度传感器有哪几种_湿度传感器种类

3.应变式压力传感器(温度仪表原理):

湿度传感器有几种_湿度传感器种类_湿度传感器有哪几种

4.氧浓度传感器

湿度传感器有几种_湿度传感器有哪几种_湿度传感器种类

5.直射式光电转速传感器

湿度传感器有哪几种_湿度传感器种类_湿度传感器有几种

6.电容传感器

湿度传感器有哪几种_湿度传感器种类_湿度传感器有几种

7.电位式传感器

湿度传感器有几种_湿度传感器有哪几种_湿度传感器种类

8.电流传感器

湿度传感器种类_湿度传感器有几种_湿度传感器有哪几种

9.荷重传感器应用

湿度传感器种类_湿度传感器有哪几种_湿度传感器有几种

10.陶瓷湿度传感器

湿度传感器有哪几种_湿度传感器种类_湿度传感器有几种

11.应变式加速度传感器

湿度传感器有哪几种_湿度传感器有几种_湿度传感器种类

发表回复

您的电子邮箱地址不会被公开。 必填项已用*标注